摘要:通過首都機場光伏的實際運營經驗與實際發電量數據,計算光伏電站的實際收益并推算未來機場光伏的運維收益,總結可推廣的運維和建設經驗。
關鍵詞:機場光伏;光伏運維;光伏電站效率;用電安全;光伏收益
1、概述
首都機場GTC光伏節能改造項目通過2年的規劃、設計和建設于2016年底并網發電,投產至今已經穩定運行并發電2年,取得了一系列機場光伏的運行維護經驗。隨著國內光伏市場的變化,總結機場光伏的經驗并加以推廣,對未來的收益進行估算已經是非常迫切研究的課題。
2、發電量對比
首都機場GTC光伏節能改造項目安裝容量為484kW,通過采集2017年1月至2018年11月間的光伏電站發電量數據折算成年度發電量為619520kW·h。實際利用小時數達到1280h,根據項目的初步設計文件,設計值首年發電小時數為1210h。通過實際發電量和設計發電量進行對比,系統效率提升4.68%,達到了85.68%。
發電量提升的主要原因主要有如下幾點:
①設備穩定性好,全年只出現2次逆變器停機的情況,系統運行穩定。
②北京市氣污染防治的效果較好,提升了日照強度,提高了光伏電站的發電量。
③首都機場周邊沒有鳥類、高聳建筑物、大型工程等建設的影響,并且首都機場巡檢人員素質較高,光伏電站清潔度始終保持在較高水平。
項目發電消納情況
首都機場GTC光伏節能改造項目全年所發電量全部就地消納。由于光伏電站電量就地消納能夠獲得0.9元/kW·h的電費和0.42元/kW·h的國家補貼以及0.3元/kW·h的北京市市屬補貼,因此在規劃設計階段為保證光伏電站的完全就地消納,設計人員對GTC的電量消耗進行了分析,最終采用了3個接入點的形式,保證了電站效益。
機場用電量較大,且用電負荷穩定,電力系統設計穩健,安全系數高,是理想的分布式光伏電站用戶端。
機場光伏的成本構成
機場光伏的成本構成因為項目的不同具有一定的差異性,下面根據近期完成概算的兩個不同并網形式的機場光伏項目進行對比。
(1)項目1:采用10kV并網的機場分布式光伏發電系統造價
其中設備及安裝工程包括光伏組價、光伏支架、電纜、升壓變、開關柜、并網柜和控制系統的設備、材料及安裝工程,占比高。
建筑工程包括,光伏組件基礎、土方開挖和回填,其他設備支架和基礎和施工輔助工程費用。
表1 采用10kV并網的機場分布式光伏發電系統單位千瓦造價(元)
其他費用包括,設計費,工程前期費,保險費,土地、屋頂租賃等費用。 (2)項目2:采用400V低壓并網的機場分布式光伏發電系統造價 表2 采用400V并網的機場分布式光伏發電系統單位千瓦造價(元) 其中設備及安裝工程包括光伏組價、光伏支架、電纜、并網柜控制系統的設備、材料及安裝工程,占比高。 建筑工程包括,光伏組件基礎、土方開挖和回填,其他設備支架和基礎和施工輔助工程費用。 其他費用包括,設計費,工程前期費,保險費,土地、屋頂租賃等費用。 項目實際效益分析 實際效益分析部分分為兩部分,第一部分1.3.1為項目初步設計階段預估發電量算出的技術經濟分析結果。第二部分1.3.2 為項目實際發電后的發電量計算出的技術經濟分析結果。兩者的折舊年限,成本、稅率水平等其他邊際條件均按照統一進行測算。 (1)根據設計院所設計的首都機場GTC光伏節能改造項目的初步設計階段的技術經濟分析結果如下: 測算資本金內部收益率為:22.64% 項目投資內部收益率(調整所得稅后):12.15% 項目投資財務凈現值(調整所得稅后)(ic=5%):107.40萬元 項目投資回收期(調整所得稅后):7.73年 經計算,本項目總投資收益率、項目資本金凈利潤率分別為6.93%和19.75%。 (2)根據設計院所設計的首都機場GTC光伏節能改造項目的實際發電量計算的技術經濟分析結果如下 測算資本金內部收益率為:35.95% 項目投資內部收益率(調整所得稅后):21.53% 項目投資財務凈現值(調整所得稅后)(ic=5%):107.40萬元 項目投資回收期(調整所得稅后):4.68年 經計算,通過優化設備選型設計和科學的布局以及較高的運維水平,首都機場GTC光伏項目實現了實際收益率的提升。在機場建設項目,前置的審批嚴密,設計要求高,充分的論證有利于建設高標準高水平項目工程。并且機場運維人員的素質普遍較高,對于無人或者少人值守的機場光伏項目,依托機場人員巡檢和運維,尤其是機場人員對于自身電力系統的保障有力都使得機場光伏項目具有同類項目中較高的投資價值。 機場光伏收益高的原因 分布式光伏具體的收益情況主要取決于消納電力企業的用電情況。機場作為穩定的用電用戶,能夠保證合理配置的光伏電站的全額消納,確保了光伏電站的利潤。 光伏電站運營企業或者機場自身也可以通過降低電費的形式或者機場直接投資的模式來獲取更加廉價的情節能源電力。不僅降低了成本,完成機場逐年的節能減排目標,而且有助于機場的電力安全,實現部分電力的自給自足。 在高收益的情況下,設計方已經和首都機場開始探索機場儲能(電儲能、化學儲能、儲熱、動力儲能)方式和智能微電網建設。 3、安科瑞分布式光伏運維云平臺的介紹
概述
AcrelCloud-1200分布式光伏運維云平臺通過監測光伏站點的逆變器設備,氣象設備以及攝像頭設備、幫助用戶管理分散在各地的光伏站點。主要功能包括:站點監測,逆變器監測,發電統計,逆變器一次圖,操作日志,告警信息,環境監測,設備檔案,運維管理,角色管理。用戶可通過WEB端以及APP端訪問平臺,及時掌握光伏發電效率和發電收益。
應用場所
目前我國的兩種分布式應用場景分別是:廣大農村屋頂的戶用光伏和工商業企業屋頂光伏,這兩類分布式光伏電站今年都發展迅速。
系統結構
在光伏變電站安裝逆變器、以及多功能電力計量儀表,通過網關將采集的數據上傳至服務器,并將數據進行集中存儲管理。用戶可以通過PC訪問平臺,及時獲取分布式光伏電站的運行情況以及各逆變器運行狀況。平臺整體結構如圖所示。
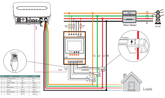
系統功能 AcrelCloud-1200分布式光伏運維云平臺軟件采用B/S架構,任何具備權限的用戶都可以通過WEB瀏覽器根據權限范圍監視分布在區域內各建筑的光伏電站的運行狀態(如電站地理分布、電站信息、逆變器狀態、發電功率曲線、是否并網、當前發電量、總發電量等信息)。 1)光伏發電 (1)綜合看板 ●顯示所有光伏電站的數量,裝機容量,實時發電功率。 ●累計日、月、年發電量及發電收益。 ●累計社會效益。 ●柱狀圖展示月發電量 (2)電站狀態 ●電站狀態展示當前光伏電站發電功率,補貼電價,峰值功率等基本參數。 ●統計當前光伏電站的日、月、年發電量及發電收益。 ●攝像頭實時監測現場環境,并且接入輻照度、溫濕度、風速等環境參數。 ●顯示當前光伏電站逆變器接入數量及基本參數。 (3)逆變器狀態 ●逆變器基本參數顯示。 ●日、月、年發電量及發電收益顯示。 ●通過曲線圖顯示逆變器功率、環境輻照度曲線。 ●直流側電壓電流查詢。 ●交流電壓、電流、有功功率、頻率、功率因數查詢。 (4)電站發電統計 ●展示所選電站的時、日、月、年發電量統計報表。 (5)逆變器發電統計 ●展示所選逆變器的時、日、月、年發電量統計報表 (6)配電圖 ●實時展示逆變器交、直流側的數據。 ●展示當前逆變器接入組件數量。 ●展示當前輻照度、溫濕度、風速等環境參數。 ●展示逆變器型號及廠商。 (7)逆變器曲線分析 ●展示交、直流側電壓、功率、輻照度、溫度曲線。 2)事件記錄 ●操作日志:用戶登錄情況查詢。 ●短信日志:查詢短信推送時間、內容、發送結果、回復等。 ●平臺運行日志:查看儀表、網關離線狀況。 ●報警信息:將報警分進行分級處理,記錄報警內容,發生時間以及確認狀態。 3)運行環境 ●視頻監控:通過安裝在現場的視頻攝像頭,可以實時監視光伏站運行情況。對于有硬件條件的攝像頭,還支持錄像回放以及云臺控制功能。 系統硬件配置 1)交流220V并網 交流220V并網的光伏發電系統多用于居民屋頂光伏發電,裝機功率在8kW左右。 部分小型光伏電站為自發自用,余電不上網模式,這種類型的光伏電站需要安裝防逆流保護裝置,避免往電網輸送電能。光伏電站規模較小,而且比較分散,對于光伏電站的管理者來說,通過云平臺來管理此類光伏電站非常有必要,安科瑞在這類光伏電站提供的解決方案包括以下方面: 2)交流380V并網 根據國家電網Q/GDW1480-2015《分布式電源接入電網技術規定》,8kW~400kW可380V并網,超出400kW的光伏電站視情況也可以采用多點380V并網,以當地電力部門的審批意見為準。這類分布式光伏多為工商業企業屋頂光伏,自發自用,余電上網。分布式光伏接入配電網前,應明確計量點,計量點設置除應考慮產權分界點外,還應考慮分布式電源出口與用戶自用電線路處。每個計量點均應裝設雙向電能計量裝置,其設備配置和技術要求符合DL/T448的相關規定,以及相關標準、規程要求。電能表采用智能電能表,技術性能應滿足國家電網公司關于智能電能表的相關標準。用于結算和考核的分布式電源計量裝置,應安裝采集設備,接入用電信息采集系統,實現用電信息的遠程自動采集。 光伏陣列接入組串式光伏逆變器,或者通過匯流箱接入逆變器,然后接入企業380V電網,實現自發自用,余電上網。在380V并網點前需要安裝計量電表用于計量光伏發電量,同時在企業電網和公共電網連接處也需要安裝雙向計量電表,用于計量企業上網電量,數據均應上傳供電部門用電信息采集系統,用于光伏發電補貼和上網電量結算。 部分光伏電站并網點需要監測并網點電能質量,包括電源頻率、電源電壓的大小、電壓不平衡、電壓驟升/驟降/中斷、快速電壓變化、諧波/間諧波THD、閃變等,需要安裝單獨的電能質量監測裝置。部分光伏電站為自發自用,余電不上網模式,這種類型的光伏電站需要安裝防逆流保護裝置,避免往電網輸送電能,系統圖如下。 這種并網模式單體光伏電站規模適中,可通過云平臺采用光伏發電數據和儲能系統運行數據,安科瑞在這類光伏電站提供的解決方案包括以下方面: 3)10kV或35kV并網 根據《國家能源局關于2019年風電、光伏發電項目建設有關事項通知》(國發新能〔2019〕49號),對于需要國家補貼的新建工商業分布式光伏發電項目,需要滿足單點并網裝機容量小于6兆瓦且為非戶用的要求,支持在符合電網運行安全技術要求的前提下,通過內部多點接入配電系統。 此類分布式光伏裝機容量一般比較大,需要通過升壓變壓器升壓后接入電網。由于裝機容量較大,可能對公共電網造成比較大的干擾,因此供電部門對于此規模的分布式光伏電站穩控系統、電能質量以及和調度的通信要求都比較高。 光伏電站并網點需要監測并網點電能質量,包括電源頻率、電源電壓的大小、電壓不平衡、電壓驟升/驟降/中斷、快速電壓變化、諧波/間諧波THD、閃變等,需要安裝單獨的電能質量監測裝置。 上圖為一個1MW分布式光伏電站的示意圖,光伏陣列接入光伏匯流箱,經過直流柜匯流后接入集中式逆變器(直流柜根據情況可不設置),最后經過升壓變壓器升壓至10kV或35kV后并入中壓電網。由于光伏電站裝機容量比較大,涉及到的保護和測控設備比較多,主要如下表:
4、總結
通過實際的設計和實施工作,以及對機場光伏項目進行運維工作后,機場光伏項目取得了良好的經濟效益和示范效應。并且在解決以上各項問題中得到了許多的經驗并且在現階段對于已經落實的機場項目所暴露出的問題均已得到比較好的解決,下一步可以繼續探索在機場的其他區域建設其他形式的光伏電站,并繼續探索新的并網模式、運行模式并擴展智能微電網、能源互聯網的模式。
微信客服
微信公眾號









0 條